Изображение отсутствует
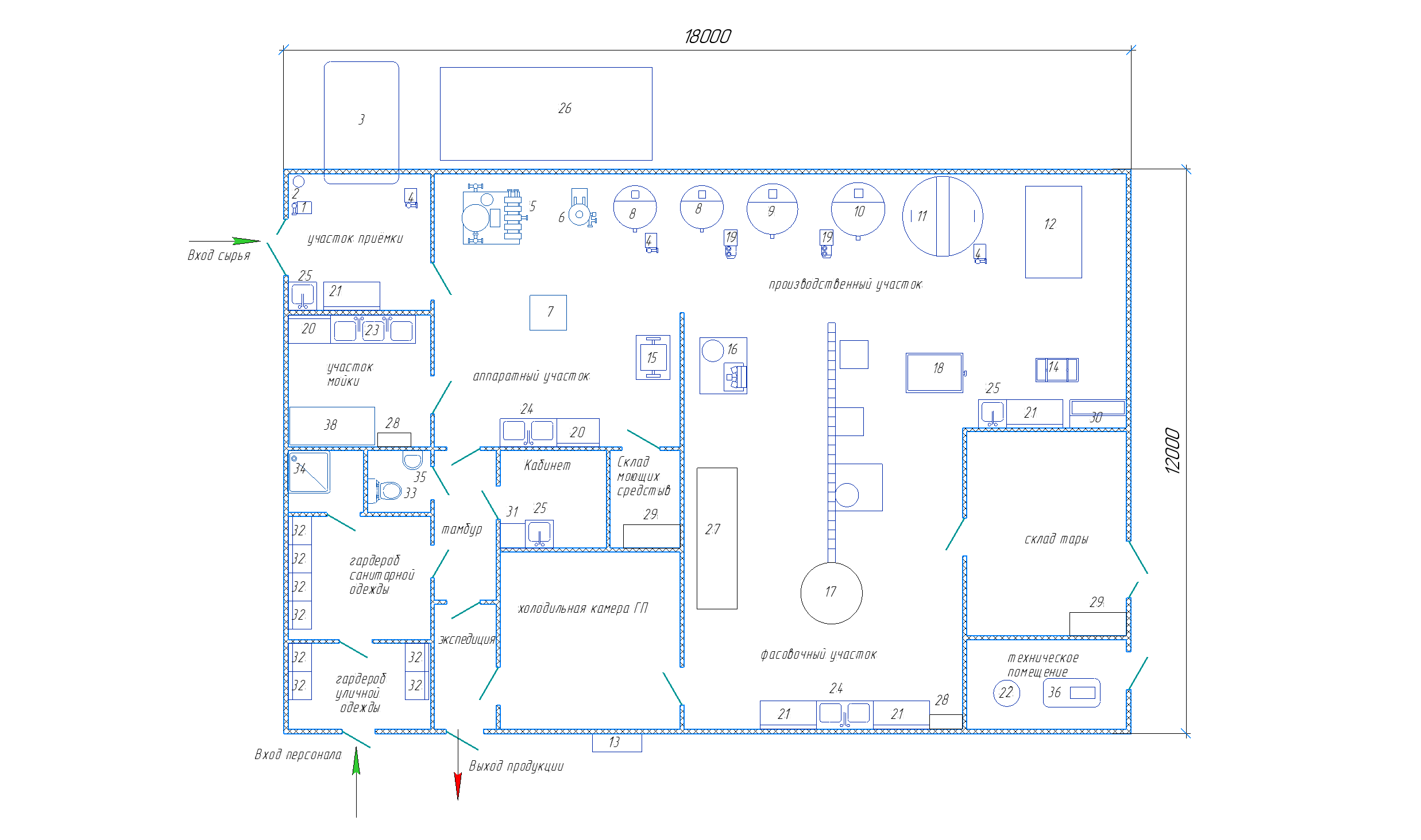
Молочный цех К-5000.3.1 (ПЭТ, БВЗ, стаканчики, ГЛВ, склад тары, кабинет, холодильная камера, бытовые, творог, кефир, сметана, молоко, масло, сыр мягкий
39 307 660 ₽
Доступен лизинг от 1 195 608 ₽/мес
Ключевые характеристики
Площадь здания, м²
216
Продуктовый расчет на одни сутки (пример) (для КП)
Сырьё: молоко (МДЖ 3,7%) – 5000 кг.
Готовые продукты:
• молоко пастеризованное (МДЖ 2,5%) – 2157 кг;
• напиток кисломолочный кефирный (МДЖ 2,5%) – 1000 кг;
• сметана или сливки (МДЖ 20%) – 243 кг;
• творог (МДЖ 9%) – 153 кг;
• сыр мягкий Адыгейский – 50 кг;
• масло сливочное Крестьянское (МДЖ 72,5%) – 27 кг;
• сыворотка – 1297 кг;
• пахта – 73 кг., TEXT
⏱
Под заказ: уточняйте сроки
📦
Доставка: рассчитывается индивидуально
💳
Оплата: по счету, картой, лизинг
укомплектован всем необходимым оборудованием и коммуникациями для полного технологического цикла переработки молока. Цех соответствует санитарно-гигиеническим требованиям Роспотребнадзора, техническому регламенту Таможенного союза «О безопасности молока и молочной продукции» (ТР ТС 033/2013), нормам пожарной и электробезопасности, правилам безопасности труда. Санитарная обработка оборудования и помещения цеха осуществляется в соответствии с инструкциями Всероссийского института молочной индустрии.
укомплектован всем необходимым оборудованием и коммуникациями для полного технологического цикла переработки молока. Цех соответствует санитарно-гигиеническим требованиям Роспотребнадзора, техническому регламенту Таможенного союза «О безопасности молока и молочной продукции» (ТР ТС 033/2013), нормам пожарной и электробезопасности, правилам безопасности труда. Санитарная обработка оборудования и помещения цеха осуществляется в соответствии с инструкциями Всероссийского института молочной индустрии.
Поставщик
- Полное наименование:
- ООО "Пищевые технологии"
- ИНН:
- 7722474556
- КПП:
- 772201001
- ОГРН:
- 1197746280874
- Адрес:
- г. Москва
