Изображение отсутствует
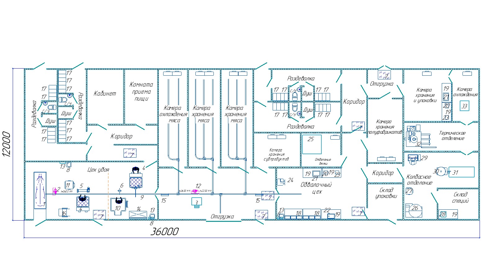
Убойный цех УМЦ-20.2 (20 КРС, камеры охлаждения, заморозки, без помещения субпродуктов, полуфабрикаты, колбаса)
42 857 290 ₽
Доступен лизинг от 1 303 576 ₽/мес
⏱
Под заказ: уточняйте сроки
📦
Доставка: рассчитывается индивидуально
💳
Оплата: по счету, картой, лизинг
представляет собой здание на основе металлокаркаса, с использованием сэндвич панелей в качестве ограждающих конструкций. Цех укомплектован всем необходимым оборудованием и коммуникациями для полного технологического цикла первичной переработки мяса. Цех соответствует санитарно-гигиеническим требованиям Роспотребнадзора, техническому регламенту Таможенного союза «О безопасности мяса и мясной про-дукции» (ТР ТС 034/2013), нормам пожарной и электробезопасности, правилам безопасности труда.
представляет собой здание на основе металлокаркаса, с использованием сэндвич панелей в качестве ограждающих конструкций. Цех укомплектован всем необходимым оборудованием и коммуникациями для полного технологического цикла первичной переработки мяса. Цех соответствует санитарно-гигиеническим требованиям Роспотребнадзора, техническому регламенту Таможенного союза «О безопасности мяса и мясной про-дукции» (ТР ТС 034/2013), нормам пожарной и электробезопасности, правилам безопасности труда.
Поставщик
- Полное наименование:
- ООО "Пищевые технологии"
- ИНН:
- 7722474556
- КПП:
- 772201001
- ОГРН:
- 1197746280874
- Адрес:
- г. Москва
